欢迎来到『东合南岩土』官方网站!

岩土研究院

垂直式重力储能系统的研究进展和关键技术

366 2024-08-01 16:44:13

作者:邱清泉 1 罗晓悦 1,2林玉鑫 1,2王青山 3李妍 3聂子攀 1张京业 1肖立业 1,2 

单位:1. 中国科学院电工研究所;2.中国科学院大学;3. 国网江苏省电力有限公司经济技术研究院

引用:邱清泉罗晓悦,林玉鑫垂直式重力储能系统的研究进展和关键技术[J]. 储能科学与技术, 2024, 13(3): 934-945.

DOI10.19799/j.cnki.2095-4239.2023.0789

本文亮点:1.介绍了近年来国内外基于竖井和地面构筑物的垂直式重力储能技术的研发现状和示范工程。2.分析了垂直式重力储能系统垂直提升、水平转移和自动接驳机械传动技术、发电电动机及并网控制技术中存在的核心技术难题。

摘 要 基于固体重物的重力储能技术因其不依赖水资源、选址灵活、效率高等优势,未来有望成为我国北方和西北缺水地区重要的储能技术之一,可以很好地满足大规模可再生能源电力并网对储能技术的需求。然而,由于固体重物的不可流动性和不连续性,重物启停和切换过程会对机械传动和电网系统造成冲击,是固体重力储能区别于抽水蓄能的重要特征。本文首先介绍了近年来国内外基于竖井和地面构筑物的垂直式重力储能技术的研发现状和示范工程,并进一步对垂直式重力储能系统垂直提升、水平转移和自动接驳机械传动技术,以及发电电动机和并网控制技术中存在的核心技术难题进行了分析,最后对垂直式重力储能技术未来的发展趋势进行了展望。研究表明,垂直式重力储能系统尽管技术方案较多,但在重载快速提升和转移、重物启停和切换过程控制、并网控制和能效提升等方面还存在诸多技术难题有待解决,后续通过技术提升可进一步降低系统建造成本并提高系统运行的效率和寿命,有望在近期获得一定的示范应用。
关键词 重力储能;垂直提升;机械传动;发电电动机;并网控制
“双碳”目标是中国为应对全球气候变化做出的郑重承诺,也是国家实施节能减排政策的目标和方向。为实现“双碳”目标,一方面要逐步减少化石能源的消费量,另一方面要提升可再生能源的消费占比。我国可再生能源分布和居民用电负荷之间存在较强的时空不匹配性,并且可再生能源受气候影响存在较大的波动性,导致高比例可再生能源直接并网对电网造成较大的影响,因此可再生能源电力的利用率较低,出现弃风、弃光等现象。而大容量、高效率、低成本、选址灵活的储电和储热等物理储能技术是实现可再生能源大规模并网,实现能源领域绿色可持续发展的重要保障。
基于固体重物的重力储能技术因其不依赖水资源、选址灵活、效率高等优势,未来有望成为缺水地区重要的储能技术之一,可以很好地满足可再生能源电力并网对储能技术的需求。重力储能主要包括基于山体斜坡的斜坡式重力储能以及基于地下竖井和地面构筑物的垂直式重力储能等形式。本文着重对近年来国内外基于竖井和地面构筑物的垂直式重力储能技术的研发现状和示范工程进行介绍,并进一步对垂直式重力储能系统垂直提升、水平转移和自动接驳机械传动技术,以及发电电动机和并网控制技术进行讨论。

1 垂直式重力储能系统的研究现状

1.1 基于竖井的重力储能技术研究现状

竖井重力储能选址灵活、占地小,且不受天气和自然环境影响,相对于其他重力储能形式具有更广泛的适应性。
2013年,英国Fraenkel Weight公司提出了基于废弃竖井和单卷扬提升机提升单个重物的重力储能方案;2020年,英国Gravitricity公司提出了基于废弃竖井和多卷扬提升机提升单个重物和多个重物的重力储能方案,可以在150~1500 m深的钻井中重复吊起与放下高度16 m、重量500~5000 t的钻机,在用电低谷时将钻机拉升至废弃矿井顶部,而在用电高峰时再让钻机落下,进而释放存储起来的能量,如图1(a)所示。该系统还可以控制重物提升和下落速度,以调节储/发电功率。该公司声称此系统可以在1 s之内反应,使用寿命长达50年,效率最高可达90%,并计划在利斯港口建成4 MW级全尺寸重力储能系统。目前,Gravitricity公司已经利用15 m的钻井平台完成了250 kW原理演示系统的测试。2021年,美国学者提出了在单个竖井中利用2个独立的卷扬提升机分别提升多个重物的重力储能方案。
在国内,2018年,葛洲坝中科储能技术有限公司提出了利用废弃矿井和矿井提升机提升单个重物的方案;2019年,中煤能源研究院提出了利用废弃矿井和矿井提升机提升多个重物的方案;2021年,中国科学院电工研究所提出了多种基于竖井和龙门提升机提升多个重物的重力储能方案:利用自动吊具或罐笼实现多个重物的吊装,多个重物可以横向停放在巷道或竖向叠放在竖井中,并采用AGV(automated guided vehicle,自动导引车)地平车进行水平转载。2022年,中国科学院电工研究所完成国内首个利用单梁门式提升机的10 kW级竖井重力储能原理样机的研制和充放电性能测试,如图1(b)所示。该样机通过4象限变流器实现对永磁同步发电电动机的控制,可以采用孤岛模式或并网模式运行。另外,还通过PLC对轨道平车、自动吊具和卷扬提升机进行智能控制,实现了系统的自动化运行。
表1所示为国内外比较有代表性的竖井重力储能研究开发项目。可以看出,竖井重力储能的研发工作相对较少,大多数工作仅仅提出了概念设计方案,缺少样机或示范工程进行实证。

表1   基于竖井的重力储能研究开发项目

2024080101.jpg


2022年,英美等国家政府部门为支撑可再生能源的消纳,开始布局竖井重力储能项目的研发。美国能源部先进能源研究计划署(advanced research projects agency for energy,ARPA-E)于2022年4月宣布最新一期的OPEN2021开放招标计划,资助1.75亿美元支持变革性清洁能源技术研发,助力美国2050年实现净零排放目标。在储能技术研发领域,布局了将废弃油气井转换为重力井的储能项目。英国商业、能源和产业战略部(bussiness,energy,and industrial strategy department,BEIS)于2022年5月宣布“长时储能示范计划”第1阶段招标结果,投入670万英镑支持24个创新储能技术项目,以促进风、光等波动性可再生能源消纳,助力英国能源系统向绿色转型。在电力储能技术研发领域,布局了竖井重力储能项目。

2024080102.jpg

图1   竖井重力储能系统样机


竖井重力储能根据井道结构和重物运行通道的不同,可以分为2种类型:一种是基于竖井巷道和罐笼的重力储能系统,比较适合基于现有的废弃竖井和巷道来建造,如图2(a)所示;另一种是基于竖井和自动吊具的重力储能系统,比较适合利用新掘竖井来建设,如图2(b)所示。

1.2 基于地面构筑物的重力储能系统

与竖井重力储能类似,基于地面构筑物的重力储能系统也具有选址灵活、占地小等优点,具有广泛的适应性。表2所示为国内外比较有代表性的基于地面构筑物的重力储能研究开发项目。可以看出,瑞士EV公司和中国天楹集团进行了较多的研究开发工作,目前已开发出工程示范样机系统。

表2   基于地面构筑物的重力储能研究开发项目

2024080103.jpg


2018年,瑞士Energy Vault公司(简称EV公司)提出基于6臂塔吊和多重物块堆叠成塔的第1代重力储能技术方案(EV1),并于2019年开始进行4 MW/35 MWh重力储能示范样机系统建设和初步测试,如图3(a)所示。高塔重力储能对于重物的堆叠方式和高度有着严格的要求,塔吊的高度受限,重物吊装过程会产生晃动和扭动,难以精准定位。另外,多层重力塔的稳定性同样存在技术难点。2021年,Energy Vault公司提出基于电梯轿厢和地面构筑物的第2代重力储能技术方案(EVx),并启动EVx示范样机的建设工作,如图3(b)所示。

2024080104.jpg

图2   竖井重力储能系统设计方案


2017年,徐州中矿大公司提出利用门式提升机的支撑架配备多倍率滑轮组实现重载,通过升降重物进行储能的方案;2020年,上海发电设备成套设计研究院提出利用多层承重墙配备多组行吊,在墙壁之间堆叠重物实现重力储能的方案,可满足1~10 MWh的储能需求,并且电能存储时间可长可短,如图4所示;2021年,中国天楹集团取得瑞士Energy Vault公司技术授权,并于2022年初启动了基于地面构筑物(147m高差)的25 MW/100 MWh垂直式矩阵型重力储能示范工程的建设工作。2021年,中国科学院电工研究所提出了一种基于山体陡坡和高墩桥梁/竖井隧道的垂直式重力储能系统,如图5所示。当前的高墩桥梁和竖井隧道的高度差均可做到200 m以上量级,并可实现与现有交通系统相融合,具有较好的技术经济性。另外,国家电投集团、华能集团还分别提出了基于退役的电厂冷却塔和风机塔筒群的重力储能系统,以实现废弃资源的二次利用。

2024080105.jpg

图3   高塔重力储能系统


2024080106.jpg

图4   行吊和承重墙堆叠重物储能系统

2024080107.jpg

图5   基于山体斜坡和高墩桥梁的重力储能系统

2 垂直提升机技术方案分析

2.1 垂直提升机的分类

垂直提升机主要分为基于旋转电机的卷扬机方案、直线电机方案和基于旋转电机的液压顶升机方案。
垂直式卷扬提升机技术相对成熟,矿用卷扬提升机的最大提升高度可达2000 m以上,有效载荷可达60 t;在门式卷扬提升机领域,利用多个卷扬机和高倍率滑轮组配合,其提升高度可达百米级,提升重量可达2万t以上,但提升速度较慢,仅为0.2 m/min左右。研发大提升高度的重载快速提升机对于提升重力储能的单机功率具有积极意义。
垂直式卷扬提升机在单个通道内一般只能提升单个重物,通道空间无法得到有效利用,另外,超高层建筑和超深矿井卷扬提升系统的钢丝绳很长,会影响到系统的效率,同时柔性钢丝绳的振荡也会影响系统暂态过程稳定性。因此将直线电机用于垂直提升领域也具有一定意义,可以在一个通道内同时提升多个重物。河南理工大学研制出利用直线永磁同步电机的直驱快速电梯样机,其承载力约为3 t,采用多段初级分段供电的方式以降低损耗。研发大推动力的直线电机将具有非常积极的意义。
基于液压机构的顶升机尽管最大载荷也可达到万吨级,但其升降高度一般不超过20 m,因此难以用于重力储能的垂直提升机构,但可以用于重物的接驳、码垛等操作。
可以看出,卷扬提升技术成熟度最高,下文重点对不同卷扬提升技术进行讨论。

2.2 塔式卷扬提升机方案

塔式提升机在建筑领域获得了广泛应用,其优点是可以实现重物的水平移动和360°旋转,因此无需采用特殊的转载机构,就可以实现重物的码放。缺点是由于采用了悬臂梁结构,在长臂远端载重量比较小。瑞士EV公司采用的塔式提升机采用了6臂对称结构,其高度110 m,单臂整体长度约80 m,单臂载重量30 t左右,如图6所示。

2024080108.jpg

图6   多卷扬塔式提升机

2.3 矿用卷扬提升机方案

矿井提升机主要分为单绳缠绕式和多绳摩擦式2种类型。常用的双罐笼矿井提升机结构如图7所示。目前,国内中信重工研发的多绳摩擦式矿井提升机最大提升高度为1150 m,最大提升速度为14 m/s,最大有效载荷为50 t,电动机功率最大为6.3 MW;德国和瑞典研发的多绳摩擦式矿井提升机最大提升高度为2000 m,最大提升速度为20 m/s,最大有效载荷为60 t,电动机功率最大为9.9 MW。矿井提升机用于重力储能系统重物提升具有载荷、速度等方面的优势,但存在着一些问题:单绳矿用提升机在运行过程中由于捻向而产生扭力,对导轨产生压力和摩擦损耗;多绳摩擦式矿用提升机则会在制动等过程中在摩擦轮上产生摩擦损耗。

2024080109.jpg

图7   矿用提升机


2.4 电梯用卷扬提升机方案

目前用的电梯用卷扬提升机一般采用曳引驱动方式、采用对重与载人或载货轿厢重量平衡,以降低系统运行损耗。如果采用强制驱动方式,需要将载人或载货轿厢下降过程中的能量利用起来才能获得较高的效率。对于重力储能来说,只能采用强制驱动方式。电梯用卷扬提升机的机组一般位于建筑物顶部,载重量比较低,用于重力储能需要进行特殊设计。中国天楹联合EV公司提出一种新型的大功率电梯卷扬机方案,采用动力轴在多个电梯井道内同时驱动多个轿厢,多个轿厢的卷扬系统通过离合器实现与动力轴的连接。引入机械离合器,可以实现轿厢与驱动轴的灵活切入和切出,如何减少重物动能在机械离合器中的损失并减少机械摩擦损耗是需要解决的重要问题。

2.5 重载门式卷扬提升机方案

门式起重机是室外货场散货装卸作业中常见的吊装设备。2008年,大连重工研制出“泰山”2万吨级门式起重机,如图8所示。该机总体高度为119 m,主梁跨度为125 m,这台吊机共有12套卷扬机构,整机共48个吊点,最大起升重量达20160 t,起升速度0.2 m/min。另外,振华重工还研制出世界上载重能力最大的“宏海号”门式起重机,由2台拱形龙门吊组成,每台龙门吊的吊装能力均为11000 t,组合后吊装能力达到22000 t。

2024080110.jpg

图8   大连重工2万吨级门式起重机
大型的重载门式卷扬提升机在垂直升船机领域获得了成功应用。以三峡升船机为例,其最大提升高度为113 m、最大提升重量超过1.55万t,其承船厢长132 m、宽23.4 m、高10 m,可提升3000 t级的船舶过坝,如图9所示。

2024080111.jpg

图9   国机集团万吨级三峡升船机垂直提升系统
重载门式提升机通过多卷扬、多滑轮组和多吊点的组合,可以实现数万吨级的载重能力,但是多滑轮组的配合会带来更多的摩擦损耗,如何降低系统机械损耗是需要解决的重要问题。

2.6 循环传送链式提升机方案

传统的垂直式卷扬提升机难以实现连续性操作,作为重力储能应用会带来功率间歇问题。燊能集团和华电集团均提出了基于垂直式循环传送链提升机的技术方案,通过挂钩或刮板将水平传送链传递过来的重物接驳到垂直传送链上,如图10所示。如何实现重物在运动过程的自动接驳,降低传动链在重物接驳过程的冲击和传动链的损耗是需要解决的重要问题。

2024080112.jpg

图10   传动链式卷扬提升系统


2.7 多卷扬提升机方案

对于大吨位提升机而言,针对增加钢丝绳强度或增大滑轮组倍率的方法难以解决起重力矩不足的问题,目前常采用的方法是采用多卷扬系统通过滑轮组共同提升吊钩,极大地提高起重机的吊重量与起重机的工作安全性能。目前,千吨级以上的起重机至少都具备4卷扬机构。
对于重力储能系统来说,由于高倍率滑轮组的损耗较大,利用多卷扬提升机方案对于提升系统的效率具有积极意义。英国Gravitricity公司提出了一种应用于竖井重力储能的4卷扬提升系统,如图11所示,可以实现千吨级的提升能力。如何通过机械结构设计和电气控制实现多卷扬系统的同步,是需要解决的重要问题。

2024080113.jpg

图11   英国Gravitricity公司重力储能系统多卷扬提升系统

2.8 卷扬机设计技术分析

针对大提升高度的重载快速卷扬提升机在矿井和海上勘察船用起重机上有所应用,关于矿井卷扬提升机的机械设计及动力学仿真研究工作较多。国内中国矿业大学、东北大学等单位对矿井用卷扬提升机的钢丝绳弹性模量、提升速度及加减速度、载荷大小及提升高度等参数对钢丝绳和卷筒机械强度及安全性的影响进行了建模和仿真分析,摩洛哥拉巴特国际大学对重力储能系统的动力学问题进行了建模仿真分析,中国科学院电工研究所针对柔性钢丝绳宽频机械振荡对电气系统的影响进行了理论研究,提出了基于电磁-机械运动模型的传动链系统稳定性判据。
卷筒和钢丝绳是卷扬机的核心元件,为了保证钢丝绳在卷筒内排列的整齐性,一般采用折线绳槽结构,美国Lebus公司声称其钢丝绳直径可以从1 mm到100 mm,层数可以到50层,卷筒直径最大可达5 m左右,钢丝绳的线速度并没有限制。关于卷扬机钢丝绳直径及层数,以及卷筒尺寸和最大线速度、加速度的设计一般采用经验公式,理论上需基于系统的动力学分析确定。另外,关于卷扬机损耗的精准计算和优化设计也是重力储能系统设计所需解决的重要问题。俄罗斯新西伯利亚大学提出了一种基于带状缆绳的卷扬机结构,有望通过降低卷扬机损耗以提升重力储能的效率。

3 自动接驳和水平转移系统技术方案分析

3.1 AGV车辆水平转移方案

对于提升车辆类重物的重力储能系统,由于车辆自带动力,可以无需设计专用的水平转移系统。中国科学院电工研究所提出了基于AGV车辆水平转移的重力储能技术,该方案的优点是各重载车辆动力分散,可以实现频繁启停且损耗较低,但需要为每个重物都增加车底盘、车轮、动力源及自动驾驶系统等辅助设施,将增加系统成本。为了降低成本,一方面可以减少AGV车辆的数量,利用AGV地平车和重物承台配合,以“穿梭机”的形式运行,中国科学院电工研究所和瑞士EV公司分别将该方案用于基于竖井和地面构筑物的重力储能系统,如图12和13所示;另一方面,利用已有的重载车辆做重物,可以降低重物成本,也可以用于重力储能和交通运输融合领域。

2024080114.jpg

图12   中国科学院电工研究所轨道地平车转载系统

2024080115.jpg

图13   EV公司轨道地平车转载系统

3.2 传送链/传送带机水平转移方案

传送链/传送带机水平转移系统在物流及生产线上获得广泛应用,但在重力储能领域应用较少。燊能集团提出了一种利用水平传送链的重物水平转移系统,如图10(a)所示;华电集团提出一种水平传送链和龙门式码垛机结合的重物水平转移系统,如图10(b)所示。水平传送链可以和垂直提升系统接续运行,减少重物在接驳过程中的动能损耗,但水平传送链的动力机械需按照满载设计,如何降低水平传送链的造价和损耗是需要解决的重要问题。

3.3 龙门式码垛机转载方案

采用龙门式吊机横梁上小车水平转移重物广泛应用于工程领域,但一般并未实现自动化操作。前期采用龙门式吊机进行重物的水平转移一般采用柔性钢丝绳,由于重物块的晃动和扭动问题难以实现快速操作和精准定位。英国Gravitricity公司提出了一种龙门式码垛机方案,如图14所示。其平移装置和自动吊具进行硬连接,硬连接可以采用液压、丝杠、导轨等机构。国内天津大学在斜坡式重力储能系统中也提出了龙门码垛机技术方案,可以实现重物块的多层码放。高载重的龙门式码垛机水平转移速度较慢,且损耗较大,如何实现龙门式码垛机的移动节拍与垂直提升系统相匹配,并降低损耗是需要解决的重要问题。

2024080116.jpg

图14   英国Gravitricity公司龙门码垛机转载系统

3.4 自动吊具技术方案

在垂直式重力储能的多种技术方案中需要对重物块进行码放,自动吊具是吊装系统和码垛机所需要的重要设备。瑞士EV公司提出了一种带有2个贯穿插孔的重物块和2个细长转销的自动吊装方案,如图3(a)所示。深孔和细长转销的配合结构对定位精度要求很高,自动定位采用的机器视觉算法较为复杂。英国Gravitricity公司提出了一种使用电动液压驱动器进行机械啮合的自动吊具结构,如图14所示。华北电力大学提出了一种用于重力储能的自动抓取和释放重物的无源机械吊具,由于无源机械吊具上没有电控机构和传感器,如何实现软启停、自动定位等自动化操作是需要进一步解决的问题。中国科学院电工研究所提出了一种用于竖井重力储能的自动吊具,通过伺服电机和联动机构同时驱动4个转销,实现与凸字形重物块的锁定,如图15所示。

2024080117.jpg

图15   竖井重力储能自动吊装结构

4 发电电动机和并网控制技术方案分析

4.1 发电电动机方案

重力储能电机是实现电能与势能转换的核心部件,正转时以电动机模式运行,将电能转换为势能;反转时以发电机模式运行,将势能转换为电能。传统重载驱动机构主要是笼型异步电机配合减速装置实现长时间稳定的大转矩输出,但存在着许多问题:铜耗随电机负载的增加而增大,功率因数和电机效率随之降低;需要减速装置配合,结构复杂易磨损,维护成本高;机械结构较多,损耗较大,系统整体效率较低等。这些问题导致异步电机在低速大转矩系统中的应用受到很大限制。为了提高系统整体的性能和效率,低速大转矩永磁同步电机替代传统的重载驱动系统已成为发展趋势。就结构而言,永磁电机的气隙磁场由永磁体产生,结构更加简单,体积更小;就性能而言,永磁电机的极对数可以很多,定子铜耗更低,功率因数和效率更高,系统更为节能,而且可以在较宽的负载范围内保持优良性能,所以低速大转矩永磁同步电机在重载驱动领域有着良好的应用前景。中国科学院电工研究所提出了重力储能用兆瓦级永磁半直驱发电电动机的设计方案,并对不同转速和转矩情况下发电电动机的效率进行了仿真分析。
尽管永磁同步电机用于重力储能具有很多优点,但是永磁同步电机造价较高,且需要经过全功率变流器并网,在极端工况下运行还存在失磁问题,因此,也有很多研究者提出了将电励磁同步电机、双馈异步电机和笼型异步电机应用于重力储能的技术方案。中国天楹在其重力储能项目中拟采用常规的电励磁同步机作为发电电动机,中电普瑞在其重力储能项目中尝试将永磁同步机、电励磁同步机和双馈异步电机用于重力储能的适用性进行对比分析,华北电力大学等也提出了将鼠笼式异步电机用于重力储能的技术方案。几种常用储能电机技术方案的对比分析如表3所示。

表3   常用储能电机方案特点比较

2024080118.jpg


4.2 并网控制方案

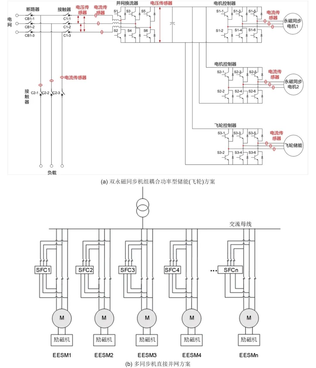
在重力储能电动发电机并网控制方面,由于重力储能系统电机的工作状态频繁切换于电动和发电状态,保证此类电机在2种工况下均能稳定高效运行是目前的研究热点。另外,对于重力储能系统来说,由于固体重物的不可流动性和不连续性,重物启停和切换过程会对机械传动和电网系统造成冲击,并产生功率间歇和波动,因此,如何实现功率平滑也是固体重力储能所需要解决的重要问题。中国科学院电工研究所研究了永磁同步电机经变流器并网控制方法,分别设计机侧、网侧控制系统实现重力储能系统的稳定并网运行。为了解决功率平滑问题,提出了基于多电机集群或耦合功率型飞轮储能系统的协调控制策略,以提升系统的稳定性、能效及电能质量。国网智能电网研究院还提出了重力储能耦合超级电容器储能的技术方案。图16(a)给出了重力储能双机组耦合飞轮储能机组以实现功率平滑的电路拓扑,2部分系统共用直流母线、网侧变流器以及滤波器等电路,对重力储能出力进行功率平滑。图16(b)给出了多同步机组直接并网通过运行时序配合实现功率平滑的电路拓扑,通过多机协调控制,使等效机械功率稳定且可控,在集群系统内部完成功率互补。

2024080119.jpg

图16   重力储能系统并网方案


5 结论与展望

重力储能是一种度电成本、储能容量等性能指标可与抽水储能对标,但又不依赖于水资源的规模化物理储能手段,特别适合于在我国北方和西北地区建设。本文简要介绍了近年来国内外基于竖井和地面构筑物的垂直式重力储能技术的研发现状和示范工程,并进一步对垂直式重力储能系统垂直提升、水平转移和自动接驳,以及发电电动机和并网控制等核心机电设备的关键技术进行了讨论。研究表明,尽管当前垂直式重力储能系统技术方案较多,也有多个示范工程在建,但在重载快速提升和转移、重物启停和切换过程控制、并网功率控制和能效提升等方面还存在诸多技术难题有待解决,后续通过技术提升可进一步降低系统建造成本并提高系统运行的效率和寿命,有望在近期获得一定的示范应用。需要说明的是,受垂直提升机的载重量和速度所限,垂直式重力储能系统的单机功率目前尚难以突破10 MW量级,无法达到抽水蓄能和压缩空气储能机组所能达到的功率等级。如果要进行大规模重力储能电站的建设,在当前只能采用多机集群阵列以提升整体功率。以竖井重力储能系统为例,目前的10 m级大口径垂直式竖井掘进机的掘进深度可达800~1000 m,如果竖井深度为500 m,单台设备可掘进10~20口竖井,可供建造100~200 MW的竖井重力储能系统,具有良好的技术经济性。

第一作者:邱清泉(1979—),男,博士,研究员,研究方向为智能电网和物理储能用先进电工装备设计,E-mail:qiuqingquan@mail.iee.ac.cn;

通讯作者:肖立业,研究员,研究方向为智能电网和储能技术,E-mail:xiao@mail.iee.ac.cn。

本文来源:储能科学与技术